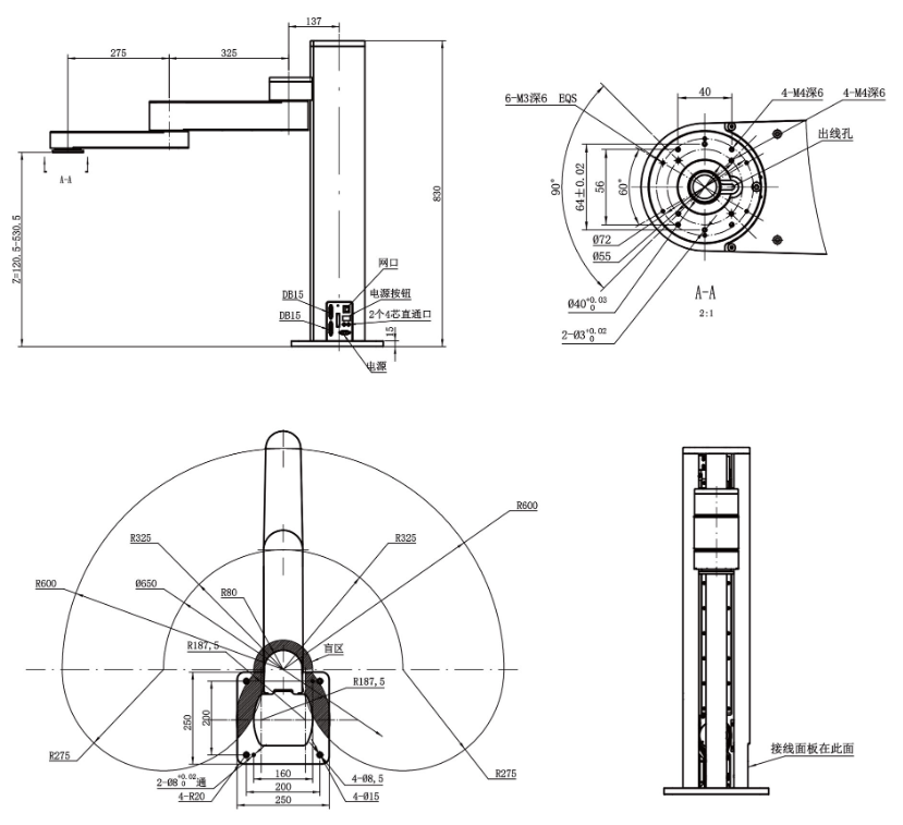
Z-Arm 4160 核心參數
臂長:600mm
重復定位精度:±0.05mm
Z軸(高度)可定制范圍: 0.1m~1m
最大負載: 3.5KG
支持碰撞檢測、拖動示教、硬急停、調試/在線升級(USB口)















400-999-2280


400-999-2280
手機:13450021510 / 李生
電話:+86-0769-22655045
地址:廣東省東莞市東城區(qū)
溫塘皂一(2)村黃泥嶺工業(yè)區(qū)D棟2樓
臂長:600mm
重復定位精度:±0.05mm
Z軸(高度)可定制范圍: 0.1m~1m
最大負載: 3.5KG
支持碰撞檢測、拖動示教、硬急停、調試/在線升級(USB口)















CAB貼標機,CAB自動貼標機,CAB打印貼標機,貼標機,自動貼標機,UDI打印機,QUICKLABEL,彩色標簽打印機,Datalogic,UDI噴碼機